搜索關鍵字:
全國服務熱線





LF400系列采用溫度變化對應于質量流量的原理,可以對不同的氣體進行流量測量及控制,可應用在5SCCM到30SLM的氣體流量范圍,并且不會受到溫度及壓力變化的影響。
產品系列完整,可選擇數字式,模擬式,普通,精度高,高壓力型,性能且價格具有競爭力,應用領域廣泛。
400-839-1983
| 功能 | 流量計/控制器 | |
| 基本型號 | LF400-S | |
| 滿量程流量范圍(N2) | SCCM | 0~5,10,20,30,50,100,200,500 |
| SLM | 0~1, 2, 3, 5, 10, 15, 20, 30 | |
| 精度(%F.S) | ±1(≤15SLM) | |
| ±2(>15SLM.) | ||
| 控制閥動作型式 | 常閉式 | |
| 線性(%F.S.) | ±0.5~1(≤15SLM) | |
| ±2%(>15SLM.) | ||
| 重復精度(%F.S.) | ±0.2 | |
| 響應時間(sec) | ≤1 | |
| 流量輸出信號 | 0-+5.00V | |
| 流量設定信號 | 0-+5.00V | |
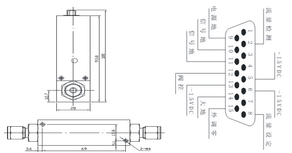
| 電器接頭 | DB15 pin(接頭) | |
| 工作環境溫度 | (℃) | 5~45 |
| 工作壓差 | (MPa) | 0.1~0.5 |
| 漏率 | SCCSHe | 1×10-9 |
| 上限耐壓 | 3MPa | |
| 介質接觸材質 | 304,316,316L | |
| 密封材料 | 氟橡膠,硅橡膠,丁腈橡膠,聚四氟乙烯 | |
| 接頭 | VCR " 1/4、1/2 | |
| Swagelok1/8”、1/4” 、3/8” 、1/2”或φ3、φ6、φ8、φ10、φ12mm | ||
| 接頭和尺寸 | Φ6mm,1/4"Swagelok:127×28×100mm | |
| 1/4"VCR:127×28×100mm | ||
| 電源要求 | +15V,50mA;-15V,200mA | |
| 重量 | 0.75KG | |
|
|
|
| 輸出電源 | +15V±5% 500mA -15V±5% 500mA |
| 基準源 | +5.00V±0.1% 5mA |
| 供電電源 | 8VDC-24VDC,50Hz±5% |
| 輸入輸出信號 | 電壓信號0-5V,電流信號4-20mA |
| 外形尺寸 | 96×96×125mm |
| 顯示器 | 128×64點陣式液晶,高亮度寬溫(-20~70℃)液晶屏,畫面清晰LED背光 |
| 上限功耗 | 8w |
| 控制通道 | 單路控制顯示 |
| 基本誤差 | ±0.2%FS |
| 環境溫度 | 0-50℃ |
| 環境濕度 | 0-85%RH |
| 防護等級 | IP40 |